Sier            Produtos
 

 
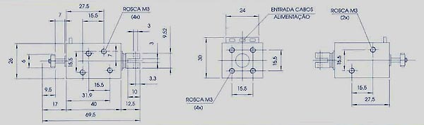
Solenóide Miniatura
SL 025



 



 



VOLTAR


Sier Equipamentos Eletromecânicos - sier@sier.ind.br - Fone: (54) 3224.1384