Sier            Produtos
 

 
Solenóide






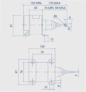
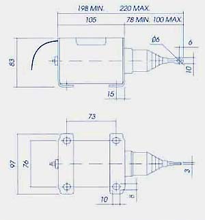
Os atuadores eletromagnéticos SIER, são solenóides de tração que, quando energizados, produzem um deslocamento longitudinal e uma força de tração aproveitável.

As solenóides SIER foram desenvolvidas e testadas para atuar sob as mais severas condições de trabalho.



 
Passe o mouse sobre o produto para ver o desenho técnico

     




 
VANTAGENS:

- Ausência de ruídos;
- Dispensa manutenção;
- Baixa corrente de trabalho em uso contínuo;
- Isolação contra penetração de umidade e poeira;
- Vários tamanhos à sua escolha;
- Baixo custo de implantação;
- Utilização universal.








APLICAÇÕES:
- Máquinas operatrizes, quadros de comando;
- Acionamento e travamento de chaves e alavancas;
- Máquinas de embalagens;
- Acionamento de processos a distância, comandados por computadores;
- Dispondo de energia elétrica, em qualquer aplicação que exija movimento mecânico.

- Peça fundamental na Automação Industrial;
- Unidade de Refrigeração (controle de unidades frigoríficas móveis);
- Indústrias Petroquímicas (controle de fluxo de ar e líquidos através de dispositivos próprios);
- Controle elétrico de aceleração em motores térmicos.
 
 

VOLTAR


Sier Equipamentos Eletromecânicos - sier@sier.ind.br - Fone: (54) 3224.1384